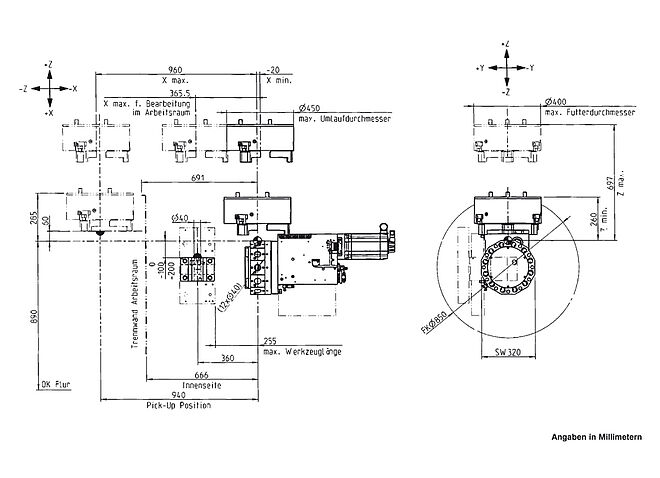
| Verfahrweg in X/Y/Z | 960 / +/- 90 / 400 mm |
| Max. Drehdurchmesser | 400 mm |
| Umlaufdurchmesser über Bett | 450 mm |
| Eilganggeschwindigkeit X/Y/Z | 45/15/30 m/min |
| Max. Vorschubkraft in X/Y/Z | 10.000/10.000/8.500 |
| Max. Drehzahl | 4000 U/min |
| Spindelanschluss | KK11 |
| Max. Antriebsleistung | 36 kW |
| Max. Drehmoment | 600 Nm |
| VDI Größe | 40 |
| Anzahl der Werkzeugpositionen | 12 |
| Angetriebene Werkzeuge | 12 |
| Max. Drehzahl | 4000 U/min |
| Max. Antriebsleistung | 8,5 kW |
| Max. Drehmoment | 40 Nm |
| Dimensionen (LxBxH) | 3482 x 2511 x 2939 mm |
| Maschinengewicht | 8500 kg |
Die Werkstücke werden automatisch mit einem Infrarot-Messtaster, der an der Hauptspindel angebracht ist, vermessen. Die Werte werden durch Messzyklen übernommen.
Hochleistungs-CNC-Steuerung für maximale Genauigkeit und Bearbeitungsgeschwindigkeit SINUMERIK 828D und SINAMICS-Antriebe und -Motoren sind perfekt auf hochmoderne Drehmaschinen zugeschnitten. Leistungsvolle CNC-Funktionen gepaart mit einer einmaligen 80bit-NANO-FP-Genauigkeit (80bit Gleitkommagenauigkeit von der Lageregelung bis hin zur internen Geberauswertung) ermöglichen höchste Werkstückpräzision bei einem Minimum an Bearbeitungszeit.
Dank einer flexiblen CNC-Programmiersprache sowie der einzigartigen ShopTurn-Arbeitsschrittprogrammierung können sowohl Großserienteile als auch Einzelwerkstücke mit der größtmöglichen Effizienz programmiert und bearbeitet werden. Mit den leistungsfähigen kinematischen Transformationen und einem umfangreichen Set an Technologiezyklen ist die SINUMERIK 828D auch bestens für anspruchsvolle Bearbeitungen mit angetriebenen Werkzeugen und Gegenspindel gerüstet.
Bild- und Textquelle: Siemens
Wir, EMCO GmbH (Firmensitz: Österreich), würden gerne mit externen Diensten personenbezogene Daten verarbeiten. Dies ist für die Nutzung der Website nicht notwendig, ermöglicht uns aber eine noch engere Interaktion mit Ihnen. Falls gewünscht, treffen Sie bitte eine Auswahl:
Zweck: Fehleranalyse, statistische Auswertung unserer Website
Verarbeitungsvorgänge: Erhebung von Verbindungsdaten, Daten ihres Webbrowsers und Daten über die aufgerufenen Inhalte; Ausführung von Analysesoftware und Speicherung von Daten auf ihrem Endgerät, Anonymisierung der erhobenen Daten; Auswertung der anonymen Daten in Form von Statistiken
Speicherdauer: Daten auf ihrem Endgerät bis zu zwei Jahre.
Gemeinsamer Verantwortlicher: Google LLC, Amphitheatre Parkway, Mountain View, CA 94043, USA
Rechtsgrundlage für die Datenverarbeitung: freiwillige, jederzeit widerrufbare Einwilligung
Folgen der Nichteinwilligung: Keine unmittelbare Auswirkung auf die Funktion der Website; jedoch eingeschränkte Möglichkeiten zur Weiterentwicklung und Fehleranalyse
Rechtsgrundlage für die Datenübermittlung in die USA: Durchführungsbeschluss der EU-Kommission C/2016/4176 sowie die erfolgte Privacy Shield Zertifizierung
| Name | Beschreibung | Speicherdauer |
|---|---|---|
| _ga |
Wird zur Unterscheidung von Benutzern in Google Analytics 4 verwendet. |
2 Jahre |
| _gid |
Dieses Cookie wird von Google Analytics verwendet, um einen eindeutigen Wert für jede besuchte Seite zu speichern und zu aktualisieren. |
1 Tag |
| _gat |
Wird von Google Analytics verwendet, um die Anfragerate zu drosseln, was bedeutet, dass die Erfassung von Daten auf stark frequentierten Websites eingeschränkt wird. |
1 Tag |
| _ga_AW-959191631 |
Wird verwendet, um den Sitzungsstatus beizubehalten. |
2 Jahre |
Zweck: Bereitstellen eines Karriere-Portals
Verarbeitungsvorgänge: Erhebung und Verarbeitung von personenbezogenen Daten durch eRecruiter für Bewerbungsvorgänge
Speicherdauer: bis zum Verlassen der Website
Gemeinsamer Verantwortlicher: eRecruiter GmbH, Am Winterhafen 4, 4020 Linz, Österreich
Rechtsgrundlage für die Datenverarbeitung: freiwillige, jederzeit widerrufbare Einwilligung
Folgen der Nichteinwilligung: Das Karriere-Portal wird Ihnen nicht zur Verfügung gestellt.
| Name | Beschreibung | Speicherdauer |
|---|---|---|
| __RequestVerificationToken |
Speichert einen Token zur Verifizierung von folgenden Anfragen. |
Session |
Zweck: Konversion- und Performancemessung von Werbeanzeigen durch den Facebook-Pixel
Verarbeitungsvorgänge: Informationen zur Leistung von Werbeanzeigen (Konversionmessung), Informationen zur Webseiteninteraktion (Daten werden anonymisiert), Verarbeitung der erhobenen Daten durch Facebook
Speicherdauer: 90 Tage
Gemeinsamer Verantwortlicher: Facebook Ireland Ltd., 4 Grand Canal Square, Grand Canal Harbour, Dublin 2, Ireland
Rechtsgrundlage für die Datenverarbeitung: freiwillige, jederzeit widerrufbare Einwilligung
Folgen der Nichteinwilligung: Keine unmittelbare Auswirkung auf die Funktion der Website
| Name | Beschreibung | Speicherdauer |
|---|---|---|
| _fbp |
Die Funktion besteht darin Speicherung und Verfolgung von Besuchen auf verschiedenen Websites. |
3 Monate |
| fr |
Die Funktionalität besteht in der Bereitstellung von Werbung oder Retargeting. |
3 Monate |
Zweck: Bereitstellung eines Formulares zur Newsletter-Anmeldung
Verarbeitungsvorgänge: Erhebung von Verbindungsdaten, Daten ihres Webbrowsers und Daten über die aufgerufenen Inhalte; Ausführung von Analysesoftware und Speicherung von Daten auf ihrem Endgerät, Anonymisierung der erhobenen Daten; Auswertung der anonymen Daten in Form von Statistiken
Speicherdauer: Daten auf ihrem Endgerät bis zu zwei Jahre.
Gemeinsamer Verantwortlicher: SC-Networks GmbH, Würmstraße 4, 82319 Starnberg
Rechtsgrundlage für die Datenverarbeitung: freiwillige, jederzeit widerrufbare Einwilligung
Folgen der Nichteinwilligung: Keine unmittelbare Auswirkung auf die Funktion der Website
| Name | Beschreibung | Speicherdauer |
|---|---|---|
| ewafutano |
Tracking (anonyme Historie) |
2 Jahre |
Zweck: Anzeigen des Kartendienstes Google Maps
Verarbeitungsvorgänge: Erhebung von Verbindungsdaten, Daten ihres Webbrowsers und Daten über die aufgerufenen Inhalte; Platzierung von Werbecookies durch Google; Verarbeitung der erhobenen Daten durch Google
Speicherdauer: bis zum Verlassen der Website
Gemeinsamer Verantwortlicher: Google LLC, Amphitheatre Parkway, Mountain View, CA 94043, USA
Rechtsgrundlage für die Datenverarbeitung: freiwillige, jederzeit widerrufbare Einwilligung
Folgen der Nichteinwilligung: Der Dienst Google Maps wird Ihnen nicht zur Verfügung gestellt.
Rechtsgrundlage für die Datenübermittlung in die USA: Durchführungsbeschluss der EU-Kommission C/2016/4176 sowie die erfolgte Privacy Shield Zertifizierung
Zweck: Einbindung von externen Videos
Verarbeitungsvorgänge: Erhebung von Verbindungsdaten, Daten ihres Webbrowsers und Daten über die aufgerufenen Inhalte; Ausführung von Analysesoftware und Speicherung von Daten auf ihrem Endgerät, Anonymisierung der erhobenen Daten; Auswertung der anonymen Daten in Form von Statistiken
Speicherdauer: Daten auf ihrem Endgerät bis zu einem Jahr.
Gemeinsamer Verantwortlicher: YouTube LLC, 1600 Amphitheatre Parkway, Mountain View, CA 94043, USA
Rechtsgrundlage für die Datenverarbeitung: freiwillige, jederzeit widerrufbare Einwilligung
Folgen der Nichteinwilligung: Keine Wiedergabemöglichkeit von eingebetteten Videos.
Rechtsgrundlage für die Datenübermittlung in die USA: Durchführungsbeschluss der EU-Kommission C/2016/4176 sowie die erfolgte Privacy Shield Zertifizierung
| Name | Beschreibung | Speicherdauer |
|---|---|---|
| yt-remote-device-id |
Speichert die Benutzereinstellungen beim Abruf eines auf anderen Webseiten integrierten Youtube-Videos |
Bleibend |
| yt-remote-connected-devices |
Speichert die Benutzereinstellungen beim Abruf eines auf anderen Webseiten integrierten Youtube-Videos |
Bleibend |
| yt-remote-session-app |
Speichert die Benutzereinstellungen beim Abruf eines auf anderen Webseiten integrierten Youtube-Videos |
Session |
| yt-remote-cast-installed |
Speichert die Benutzereinstellungen beim Abruf eines auf anderen Webseiten integrierten Youtube-Videos |
Session |
| yt-remote-session-name |
Speichert die Benutzereinstellungen beim Abruf eines auf anderen Webseiten integrierten Youtube-Videos |
Session |
| yt-remote-fast-check-period |
Speichert die Benutzereinstellungen beim Abruf eines auf anderen Webseiten integrierten Youtube-Videos |
Session |
| VISITOR_INFO1_LIVE |
Versucht, die Benutzerbandbreite auf Seiten mit integrierten YouTube-Videos zu schätzen. |
179 Tage |
| YSC |
Registriert eine eindeutige ID, um Statistiken der Videos von YouTube, die der Benutzer gesehen hat, zu behalten. |
Session |
| GPS |
Registriert eine eindeutige ID auf mobilen Geräten, um Tracking basierend auf dem geografischen GPS-Standort zu ermöglichen. |
1 Tag |
Zweck: Konversion- und Performencemessung von Werbeanzeigen durch den LinkedIn Insight Tag
Verarbeitungsvorgänge: Berichte zur Leistung von Werbeanzeigen, Informationen zur Webseiteninteraktion (IP Adresse, Zeitstempel, Seitenaktivitäten, demografische Daten – falls der Nutzer ein aktives LinkdIn Mitglied ist), Verarbeitung der erhobenen Daten durch LinkedIn
Speicherdauer: pseudonymisierten Daten werden dann innerhalb von 90 Tagen gelöscht
Gemeinsamer Verantwortlicher: LinkedIn Ireland Unlimited Company, Wilton Place, Dublin 2, Ireland
Rechtsgrundlage für die Datenverarbeitung: freiwillige, jederzeit widerrufbare Einwilligung
Folgen der Nichteinwilligung: Keine unmittelbare Auswirkung auf die Funktion der Website
| Name | Beschreibung | Speicherdauer |
|---|---|---|
| bcookie |
Browser-Identifier-Cookie zur eindeutigen Identifizierung von Geräten, die auf LinkedIn zugreifen, um Missbrauch auf der Plattform zu erkennen |
2 Jahre |
| g_state |
Speichert den Zeitstempel zum Zweck der Einhaltung der Abkühlungsphase und der Entlassungszählung für Googles One-Tap Prompt-Funktion. |
180 Tage |
| li_gc |
Dient zur Speicherung der Zustimmung der Gäste zur Verwendung von Cookies für nicht wesentliche Zwecke |
2 Jahre |
| lang |
Wird verwendet, um die Spracheinstellung eines Benutzers zu speichern, damit LinkedIn.com in der Sprache angezeigt wird, die der Benutzer in seinen Einstellungen ausgewählt hat. |
Session |
| lidc |
Zur Erleichterung der Auswahl von Rechenzentren. |
1 Jahr |
| UserMatchHistory |
Synchronisierung der LinkedIn Ads ID. |
1 Monat |
| AnalyticsSyncHistory |
Wird verwendet, um Informationen über den Zeitpunkt zu speichern, zu dem eine Synchronisierung mit dem lms_analytics-Cookie für Nutzer in den designierten Ländern stattgefunden hat. |
1 Monat |
| G_ENABLED_IDPS |
Wird von Google Single Sign On verwendet. |
2 Jahre |
| VID |
ID, die mit einem Besucher einer LinkedIn-Microsite verknüpft ist und zur Ermittlung von Konversionen für Lead-Gen-Zwecke verwendet wird. |
1 Jahr |
| SID |
Wird verwendet, um festzustellen, was ein Besucher tut, bevor er auf einer LinkedIn-Microsite konvertiert |
Session |