| Corsa in X/Y/Z | Con asse B (X1/X2/Z1/Z2): +540/-10 / 300 / 1300/1900 / 1340/1940; con torretta portautensili (X1/X2/Z1/Z2): 340 / 300 / 1340/1940 / 1340/1940 |
| Foro mandrino | 106 mm |
| Diametro max. autocentrante | 95 mm |
| Diametro tornibile max. | 710 mm |
| Volteggio sul banco | 720 mm |
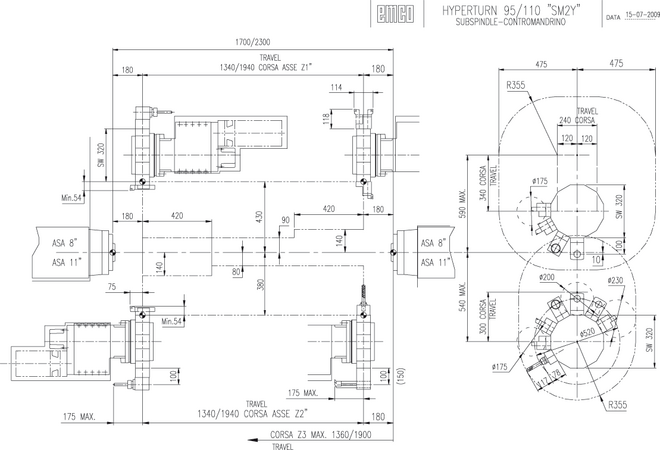
| Distanza tra le punte | 1700/2300 mm |
| Avanzamenti rapidi in X/Y/Z | 30 / 15 / 30 m/min |
| Velocità max. | 3500 giri/min |
| Naso mandrino | A2-8 |
| Potenza massima azionamento | 33 kW |
| Coppia max. | 800 Nm |
| Velocità max. | 3500 giri/min |
| Naso mandrino | A2-8 |
| Potenza massima azionamento | 33 kW |
| Coppia max. | 800 Nm |
| Diametro cannotto | 150 mm |
| Cono contropunta | CM 5 |
| Corsa (automatica) | 1100 / 1600 mm |
| Corsa cannotto | 150 mm |
| Dimensione VDI | 40 mm |
| Numero utensili | 12 |
| Utensili motorizzati | 12 |
| Velocità max. | 4000 giri/min |
| Potenza massima azionamento | 10,5 kW |
| Coppia massima | 40 Nm |
| Dimensione VDI | 40 mm |
| Numero utensili | 12 |
| Utensili motorizzati | 12 |
| Velocità massima | 4000 giri/min |
| Potenza massima azionamento | 10,5 kW |
| Coppia massima | 40 Nm |
| Dimensioni (LxPxH) | 8705 x 3160 x 2890 mm |
| Peso macchina | 16500 kg |
Per la produzione economica di pezzi complessi di tornitura/fresatura, con quest’ultima parte prevalente, abbiamo in opzione una torretta BMT con azionamento diretto raffreddato ad acqua. Con un massimo di 6000 giri/min, 45/62 Nm* e 15/22 kW*, questa torretta offre le condizioni ottimali per elevate prestazioni di fresatura/foratura garantendo stabilità ottimale (*S1/S6-50%).
Sinumerik ONE è il sistema CNC universale e flessibile. Con una vasta gamma di funzionalità, è adatto all'uso in quasi tutte le tecnologie. Il Sinumerik ONE stabilisce degli standard in termini di dinamica, precisione e integrabilità nelle reti.
Con il Sinumerik ONE si ottiene:
Sinumerik & EMCONNECT, l'assistente di processo digitale
EMCONNECT è incluso nella macchina standard. Il passaggio tra le app emcoNNECT e il sistema di controllo è possibile con un solo clic. Tutti i dati rilevanti per la produzione possono essere visualizzati a schermo intero o in vista laterale.
Il nuovo SINUMERIK ONE è stato sviluppato appositamente per la produzione intelligente.
• Il Digital Twin è parte integrante del controllo CNC, il controllo virtuale e quello reale si fondono e si completano a vicenda
• Riduzione significativa dello sviluppo del prodotto e del time-to-market grazie alla strategia digital-first
• Capacità di rete e di comunicazione dati migliorate
• Riduzione significativa del tempo di messa in servizio reale grazie alla preparazione virtuale della messa in servizio
• Prestazioni CNC significativamente aumentate
• Tempi morti significativamente più brevi e integrazione completa nel TIA Portal attraverso il PLC SIMATIC S7-1500F integrato
Il SINUMERIK ONE può quindi essere integrato senza problemi in soluzioni e flussi di lavoro digitali.
Per produrre di più ed essere più efficienti.
EMCONNECT è un buon sistema per chi inizia la produzione digitale: l'accesso a tutte le informazioni e i sistemi importanti è centralizzato, dalla macchina. La centralina CNC e quindi la gestione della macchina restano inalterate.
Sul pannello EMCONNECT sono raccolti, in modo molto chiaro e compatto, lo stato, i dati e la modalità operativa della macchina. La base hardware della centralina emcoNNECT è un display Multi-Touch da 22", un PC industriale + tastiera incl. tasti HMI-Hot semplice e intuitiva con interfaccia utente ottimizzata per touchscreen.
Incluso di serie nella versione macchina Siemens (Sinumerik ONE).
Mantenete il controllo della vostra produzione con la sincronizzazione programmi, la simulazione dinamica e il riconoscimento collisione del Sistema ESPRIT.
ESPRIT: Avete la possibilità di lavorare contemporaneamente la parte anteriore e posteriore del pezzo con uno, due o più utensili di tornitura e fresatura. Se applicate ESPRIT per sfruttare il potenziale della vostra produzione di tornitura, i tempi ciclo verranno drasticamente ridotti e i pezzi verranno lavorati completamente con una sola presa del pezzo. ESPRIT comprende molteplici cicli di lavorazione e cicli per la gestione pezzo – dal primo avanzamento barra e presa del pezzo grezzo, alle lunette e fino alla troncatura e raccolta.
Settori di applicazione:
Simulazioni
L'EMCO CPS PILOT è un EMCO macchina virtuale sul PC. L'utente lavora da una postazione di programmazione esterna con l'immagine della macchina in modalità di simulazione.
CPS: In questo modo, è possibile scrivere, testare e ottimizzare o programmi CNC in anticipo. Tutto questo, con lo scopo di minimizzare i tempi di allestimento della macchina, per renderla produttiva.
ShopTurn Sinumerik 828D è un controllo numerico CNC basato su pannello per applicazioni esigenti su torni e fresatrici, come normalmente viene richiesto in officina. Esso riunisce CNC, PLC, funzioni operative e di controllo assi in un’unica unità compatta e robusta che si adatta a qualsiasi pulpito di pannello operativo. Sono disponibili due varianti per il montaggio orizzontale o verticale. Con le sue potenti funzioni CNC, il Sinumerik 828D definisce nuovi standard di riferimento nella classe dei CNC compatti. Grazie ad un pacchetto di programmazione CNC completo, il Sinumerik 828D è predisposto in modo ottimale per tutti i mercati di consumo a livello mondiale. Origine testo e fotografia: Siemens
Noi, EMCO GmbH (sede centrale: Austria), desideriamo trattare i dati personali con servizi esterni. Ciò non è necessario per l'utilizzo del sito web, ma ci consente di interagire ancora più strettamente con voi. Se lo desiderate, vi preghiamo di effettuare una selezione:
Finalità: analisi degli errori, valutazione statistica del nostro sito web.
Trattamento: raccolta dei dati di connessione, dei dati del vostro browser web e dei dati sui contenuti consultati; esecuzione di software di analisi e memorizzazione dei dati sul vostro dispositivo, anonimizzazione dei dati raccolti; valutazione dei dati anonimi sotto forma di statistiche.
Periodo di conservazione: Periodo di conservazione: dati sul dispositivo fino a due anni
Responsabile comune: Google LLC, Amphitheater Parkway, Mountain View, CA 94043, USA
Base giuridica del trattamento dei dati: consenso volontario, revocabile in qualsiasi momento.
Conseguenze del mancato consenso: nessun effetto diretto sul funzionamento del sito web; tuttavia, potrebbero verificarsi limitate possibilità di sviluppo dell'analisi degli errori.
Base giuridica per il trasferimento dei dati negli USA: decisione di esecuzione della Commissione UE C/2016/4176 e certificazione Privacy Shield.
| Nome | Descrizione | Periodo di conservazione |
|---|---|---|
| _ga |
Utilizzato per distinguere gli utenti in Google Analytics 4. |
2 Jahre |
| _gid |
Questo cookie viene utilizzato da Google Analytics per memorizzare e aggiornare un valore univoco per ogni pagina visitata. |
1 Tag |
| _gat |
Utilizzato da Google Analytics per limitare il tasso di richiesta, il che significa che la raccolta dei dati sui siti web ad alto traffico è limitata. |
1 Tag |
| _ga_AW-959191631 |
Utilizzato per mantenere lo stato della sessione. |
2 anni |
Finalità: fornitura di un portale carriere
Trattamento: raccolta e trattamento dei dati personali da parte di eRecruiters per le procedure di candidatura
Periodo di conservazione: fino all'uscita dal sito web.
Responsabile comune: eRecruiter GmbH, Am Winterhafen 4, 4020 Linz, Austria
Base giuridica del trattamento dei dati: consenso volontario, revocabile in qualsiasi momento
Conseguenze del mancato consenso: il portale delle carriere non diventa disponibile.
| Nome | Descrizione | Periodo di conservazione |
|---|---|---|
| __RequestVerificationToken |
Salva un gettone per la verifica delle seguenti richieste. |
Session |
Finalità: fornitura di un modulo per l'iscrizione alla newsletter
Trattamento: raccolta dei dati di connessione, dei dati del vostro browser web e dei dati sui contenuti richiamati; esecuzione di software di analisi e memorizzazione dei dati sul vostro dispositivo, anonimizzazione dei dati raccolti; valutazione dei dati anonimi sotto forma di statistiche
Periodo di conservazione: dati sul dispositivo fino a due anni.
Responsabile comune: SC-Networks GmbH, Würmstraße 4, 82319 Starnberg, Germania
Base giuridica del trattamento dei dati: consenso volontario, revocabile in qualsiasi momento
Conseguenze del mancato consenso: nessun effetto diretto sul funzionamento del sito web.
| Nome | Descrizione | Periodo di conservazione |
|---|---|---|
| ewafutano |
Tracciamento (in anonimato) |
2 Jahre |
Finalità: visualizzare il servizio mappe di Google Maps.
Trattamento: raccolta dei dati di connessione, dei dati del vostro browser web e dei dati sui contenuti consultati; inserimento di cookie pubblicitari da parte di Google; elaborazione dei dati raccolti da Google
Periodo di conservazione: fino all'uscita dal sito web
Responsabile comune: Google LLC, Amphitheater Parkway, Mountain View, CA 94043, USA
Base giuridica del trattamento dei dati: consenso volontario, revocabile in qualsiasi momento
Conseguenze del mancato consenso: il servizio Google Maps non sarà messo a disposizione.
Base giuridica per il trasferimento dei dati negli USA: decisione di esecuzione della Commissione UE C/2016/4176 e certificazione Privacy Shield.
Finalità: integrazione di video esterni.
Trattamento: raccolta dei dati di connessione, dei dati del vostro browser web e dei dati sui contenuti consultati; esecuzione di software di analisi e memorizzazione dei dati sul vostro dispositivo, anonimizzazione dei dati raccolti; valutazione dei dati anonimi sotto forma di statistiche.
Periodo di conservazione: dati sul dispositivo fino ad un anno.
Responsabile comune: YouTube LLC, 1600 Amphitheater Parkway, Mountain View, CA 94043, USA.
Base giuridica del trattamento dei dati: consenso volontario, revocabile in qualsiasi momento.
Conseguenze del mancato consenso: nessuna riproduzione dei video integrati.
Base giuridica per il trasferimento dei dati negli USA: decisione di esecuzione della Commissione UE C/2016/4176 e certificazione Privacy Shield.
| Nome | Descrizione | Periodo di conservazione |
|---|---|---|
| yt-remote-device-id |
Salva le impostazioni dell'utente quando recupera un video di YouTube integrato in altri siti web |
Bleibend |
| yt-remote-connected-devices |
Salva le impostazioni dell'utente quando recupera un video di YouTube integrato in altri siti web |
Bleibend |
| yt-remote-session-app |
Salva le impostazioni dell'utente quando recupera un video di YouTube integrato in altri siti web |
Session |
| yt-remote-cast-installed |
Salva le impostazioni dell'utente quando recupera un video di YouTube integrato in altri siti web |
Session |
| yt-remote-session-name |
Salva le impostazioni dell'utente quando recupera un video di YouTube integrato in altri siti web |
Session |
| yt-remote-fast-check-period |
Salva le impostazioni dell'utente quando recupera un video di YouTube integrato in altri siti web |
Session |
| VISITOR_INFO1_LIVE |
Tentativo di stima della larghezza di banda dell'utente sulle pagine con i video integrati di YouTube. |
179 Tage |
| YSC |
Registra un ID univoco per mantenere le statistiche dei video di YouTube che l'utente ha visto. |
Session |
| GPS |
Registra un ID univoco sui dispositivi mobili per consentire il tracciamento basato sulla posizione geografica GPS. |
1 Tag |