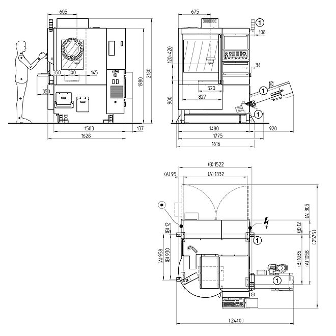
| Corsa in X/Y/Z | 350/250/300 mm |
| Distanza nasi mandrino | 120 - 420 mm |
| Spinta di lavoro X/Y/Z | 0-10 m/min |
| Accelerazione in X/Y/Z | 3000 |
| Dimensione tavola | 520 x 300 mm |
| Carico max. | 100 kg |
| Magazzino utensili | 20 |
| Tempo cambio utensile (utensile/utensile) | 2,5 s |
| Diametro ma. utensile | 80 mm |
| Lunghezza max. utensile | 200 mm |
| Velocità massima | 10.000 giri/min |
| Potenza azionamento max. | 6,8 kw |
| Coppia massima | 24 Nm |
| Dimensioni (LxPxH) | 1600 x 1700 x 2200 mm |
| Peso macchina | 1970 kg |
La tecnologia di lavorazione a cinque assi per fresatura è un componente importante per l'istruzione e la formazione moderna. EMCO offre CONCEPT MILL 260 e l'unità roto-basculante DSE200 come introduzione alla fresatura a 5 assi di qualità e con un prezzo attraente.
È interessante notare che il pacchetto è disponibile anche per le aziende di produzione, stampi, prototipi e modelli.
La porta di protezione dai trucioli può essere aperta e chiusa dal programma o premendo gli appositi tasti su un cilindro pneumatico. Il controllo della posizione della porta è seguito dal finecorsa.
L’unicità è data dal concetto di controllo intercambiabile, col quale possono essere dotate tutte le macchine della linea Concept. Grazie a questa peculiarità, l'utilizzatore può essere addestrato su tutti i CNC industriali più comuni. In una sola macchina, possono essere installati fino a otto diversi controlli numerici. Risultato: i tecnici CNC sono flessibili nel lavorare su differenti piattaforme.
Win3D-View va oltre gli standard del settore. Utensili, pezzi grezzi, dispositivi di bloccaggio e processi di produzione sono estremamente realistici. Il sistema controlla i percorsi programmati dell'utensile per prevenire eventuali collisioni , assicurando in questo modo la sicurezza del programma.iew: visualizzare, supportare e prevenire costose collisioni.
Noi, EMCO GmbH (sede centrale: Austria), desideriamo trattare i dati personali con servizi esterni. Ciò non è necessario per l'utilizzo del sito web, ma ci consente di interagire ancora più strettamente con voi. Se lo desiderate, vi preghiamo di effettuare una selezione:
Finalità: analisi degli errori, valutazione statistica del nostro sito web.
Trattamento: raccolta dei dati di connessione, dei dati del vostro browser web e dei dati sui contenuti consultati; esecuzione di software di analisi e memorizzazione dei dati sul vostro dispositivo, anonimizzazione dei dati raccolti; valutazione dei dati anonimi sotto forma di statistiche.
Periodo di conservazione: Periodo di conservazione: dati sul dispositivo fino a due anni
Responsabile comune: Google LLC, Amphitheater Parkway, Mountain View, CA 94043, USA
Base giuridica del trattamento dei dati: consenso volontario, revocabile in qualsiasi momento.
Conseguenze del mancato consenso: nessun effetto diretto sul funzionamento del sito web; tuttavia, potrebbero verificarsi limitate possibilità di sviluppo dell'analisi degli errori.
Base giuridica per il trasferimento dei dati negli USA: decisione di esecuzione della Commissione UE C/2016/4176 e certificazione Privacy Shield.
| Nome | Descrizione | Periodo di conservazione |
|---|---|---|
| _ga |
Utilizzato per distinguere gli utenti in Google Analytics 4. |
2 Jahre |
| _gid |
Questo cookie viene utilizzato da Google Analytics per memorizzare e aggiornare un valore univoco per ogni pagina visitata. |
1 Tag |
| _gat |
Utilizzato da Google Analytics per limitare il tasso di richiesta, il che significa che la raccolta dei dati sui siti web ad alto traffico è limitata. |
1 Tag |
| _ga_AW-959191631 |
Utilizzato per mantenere lo stato della sessione. |
2 anni |
Finalità: fornitura di un portale carriere
Trattamento: raccolta e trattamento dei dati personali da parte di eRecruiters per le procedure di candidatura
Periodo di conservazione: fino all'uscita dal sito web.
Responsabile comune: eRecruiter GmbH, Am Winterhafen 4, 4020 Linz, Austria
Base giuridica del trattamento dei dati: consenso volontario, revocabile in qualsiasi momento
Conseguenze del mancato consenso: il portale delle carriere non diventa disponibile.
| Nome | Descrizione | Periodo di conservazione |
|---|---|---|
| __RequestVerificationToken |
Salva un gettone per la verifica delle seguenti richieste. |
Session |
Finalità: fornitura di un modulo per l'iscrizione alla newsletter
Trattamento: raccolta dei dati di connessione, dei dati del vostro browser web e dei dati sui contenuti richiamati; esecuzione di software di analisi e memorizzazione dei dati sul vostro dispositivo, anonimizzazione dei dati raccolti; valutazione dei dati anonimi sotto forma di statistiche
Periodo di conservazione: dati sul dispositivo fino a due anni.
Responsabile comune: SC-Networks GmbH, Würmstraße 4, 82319 Starnberg, Germania
Base giuridica del trattamento dei dati: consenso volontario, revocabile in qualsiasi momento
Conseguenze del mancato consenso: nessun effetto diretto sul funzionamento del sito web.
| Nome | Descrizione | Periodo di conservazione |
|---|---|---|
| ewafutano |
Tracciamento (in anonimato) |
2 Jahre |
Finalità: visualizzare il servizio mappe di Google Maps.
Trattamento: raccolta dei dati di connessione, dei dati del vostro browser web e dei dati sui contenuti consultati; inserimento di cookie pubblicitari da parte di Google; elaborazione dei dati raccolti da Google
Periodo di conservazione: fino all'uscita dal sito web
Responsabile comune: Google LLC, Amphitheater Parkway, Mountain View, CA 94043, USA
Base giuridica del trattamento dei dati: consenso volontario, revocabile in qualsiasi momento
Conseguenze del mancato consenso: il servizio Google Maps non sarà messo a disposizione.
Base giuridica per il trasferimento dei dati negli USA: decisione di esecuzione della Commissione UE C/2016/4176 e certificazione Privacy Shield.
Finalità: integrazione di video esterni.
Trattamento: raccolta dei dati di connessione, dei dati del vostro browser web e dei dati sui contenuti consultati; esecuzione di software di analisi e memorizzazione dei dati sul vostro dispositivo, anonimizzazione dei dati raccolti; valutazione dei dati anonimi sotto forma di statistiche.
Periodo di conservazione: dati sul dispositivo fino ad un anno.
Responsabile comune: YouTube LLC, 1600 Amphitheater Parkway, Mountain View, CA 94043, USA.
Base giuridica del trattamento dei dati: consenso volontario, revocabile in qualsiasi momento.
Conseguenze del mancato consenso: nessuna riproduzione dei video integrati.
Base giuridica per il trasferimento dei dati negli USA: decisione di esecuzione della Commissione UE C/2016/4176 e certificazione Privacy Shield.
| Nome | Descrizione | Periodo di conservazione |
|---|---|---|
| yt-remote-device-id |
Salva le impostazioni dell'utente quando recupera un video di YouTube integrato in altri siti web |
Bleibend |
| yt-remote-connected-devices |
Salva le impostazioni dell'utente quando recupera un video di YouTube integrato in altri siti web |
Bleibend |
| yt-remote-session-app |
Salva le impostazioni dell'utente quando recupera un video di YouTube integrato in altri siti web |
Session |
| yt-remote-cast-installed |
Salva le impostazioni dell'utente quando recupera un video di YouTube integrato in altri siti web |
Session |
| yt-remote-session-name |
Salva le impostazioni dell'utente quando recupera un video di YouTube integrato in altri siti web |
Session |
| yt-remote-fast-check-period |
Salva le impostazioni dell'utente quando recupera un video di YouTube integrato in altri siti web |
Session |
| VISITOR_INFO1_LIVE |
Tentativo di stima della larghezza di banda dell'utente sulle pagine con i video integrati di YouTube. |
179 Tage |
| YSC |
Registra un ID univoco per mantenere le statistiche dei video di YouTube che l'utente ha visto. |
Session |
| GPS |
Registra un ID univoco sui dispositivi mobili per consentire il tracciamento basato sulla posizione geografica GPS. |
1 Tag |