Hyperturn 65

ALLESTIMENTO

Due mandrini
Fino a tre torrette portautensili
Fino a 36 utensili motorizzati su due o tre torrette
Tre assi Y indipendenti
Automazione con caricatore di barre EMCO o caricatore a portale
EMCONNECT - Assistente di processo digitale (Sinumerik ONE)

Dati tecnici

Area di lavoro

Corsa in X/Y/Z z.B. HT 65 DT-1000: X1/X2:260/210, Z1/Z2/Z3:800/800/800, Y1/Y2:100(+/-50) mm
Diametro da barra 65 (76,2/95) mm
Diametro tornibile max. 500 mm
Volteggio sul banco 660 mm
Distanza nasi mandrino 1050/1300 mm
Avanzamenti rapidi in X/Y/Z 30/12/30 m/min

Mandrino principale

Velocità max. 0-5000 (4000/3500) giri/min
Potenza massima azionamento 29 (37) kW
Coppia max. 250 (360) Nm

Contromandrino

Velocità max. 0-5000 (4000 / 3500) giri/min
Potenza massima azionamento 29 kW
Coppia max. 250 Nm

Torretta

Dimensione VDI 30 (40)
Numero utensili 2/3x12
Utensili motorizzati 2/3x12
Velocità max. 0-5000 (4500) giri/min
Potenza massima azionamento 6,7 kW
Coppia massima 25 Nm

Dati generali

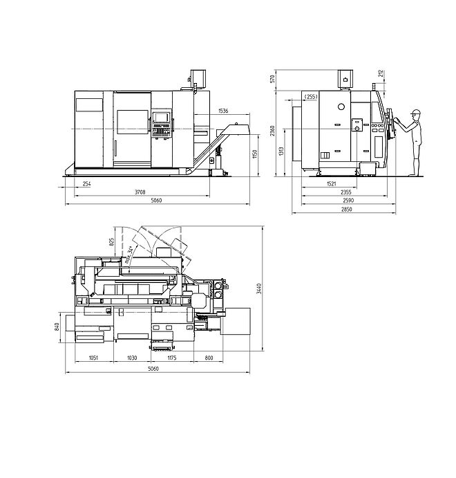
Dimensioni (LxPxH) 5060/5300 x 2850 x 2360 mm
Peso macchina ca. 9500 kg

Punti di forza

  • Centro di tornitura e fresatura CNC con 2 motori mandrino ad alte prestazioni e raffreddati ad acqua

  • Torretta 2x / 3x a 12 tempi con sistema di cambio rapido VDI 30 / 40

  • Torrette BMT e azionamento diretto fino a 12 000 giri/min, in opzione

  • 2 / 3 assi Y per la lavorazione di pezzi complessi in tornitura/fresatura

  • Alimentazione di barre fino a ø 95 mm

  • Flusso di trucioli ottimale e area di lavoro facilmente accessibile

  • Massime prestazioni di azionamento e controllo con Sinumerik ONE o FANUC 31iB

AREA DI LAVORO HT65-DUOTURN

L'HT65-Duoturn è disponibile con due lunghezze di bancale. Una con una distanza tra le punte di 1050 mm e una di 1300 mm. Se si tratta principalmente di lavorare componenti corti, la versione più corta è sufficiente. Se si devono lavorare parti di alberi lunghe, è possibile utilizzare la versione a bancale lungo con appoggio a torretta o appoggio a CN. Soprattutto per applicazioni su alberi con lavorazioni interne profonde, la versione a bancale lungo offre molto spazio per le operazioni. Entrambe le torrette sono montate faccia a faccia, in modo che gli utensili per la lavorazione interna possano essere montati su entrambe le torrette.
L'HT65-Tripleturn offre l'area di lavoro più ampia della sua categoria, con una distanza tra le punte di 1300 mm e ampie corse degli assi X. La macchina può quindi essere utilizzata non solo per la lavorazione delle barre, ma anche per lavorare componenti più grandi. È possibile utilizzare senza limitazioni mandrini fino a un diametro di 250 mm sul mandrino principale e sul contromandrino. Anche lo spettro di potenza dei motori dei mandrini offre una capacità sufficiente per la lavorazione di componenti più grandi.

CONTROPUNTA / LUNETTA IN TORRETTA

Per la lavorazione completa di alberi da un lato nel mandrino principale e dall'altro nel contromandrino, sono disponibili una contropunta e, se necessario, una lunetta in torretta. Ciò consente di produrre pezzi lunghi e sottili con precisione e senza segni di vibrazione.

CONTROPUNTA

Per le lavorazioni di alberi, HYPERTURN 65 offre due versioni di contropunta. Da un lato, una contropunta mobile idraulica universale per macchine a carico manuale e, dall'altro, una contropunta CNC per macchine a carico completamente automatico. Con il vantaggio di tempi morti molto brevi.

LUNETTA CNC

Per la lavorazione degli alberi sono disponibili diversi tipi di lunette. I pezzi di albero di piccole dimensioni possono essere supportati con una lunetta montata su torretta. Per i pezzi di grandi dimensioni è disponibile una lunetta a controllo numerico con un campo di centraggio da 25 a 280 mm.

MONITORAGGIO DELLA CORSA DI SERRAGGIO SUL MANDRINO PRINCIPALE E SUL CONTROMANDRINO

Grazie al monitoraggio programmabile della corsa di serraggio, è possibile registrare facilmente le posizioni di serraggio dei due cilindri di serraggio. Di conseguenza, non sono più necessari interventi diretti sui cilindri, consentendo di ridurre i tempi di allestimento.

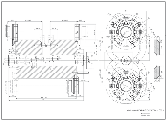
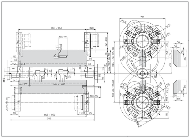
Schema di montaggio/area di lavoro

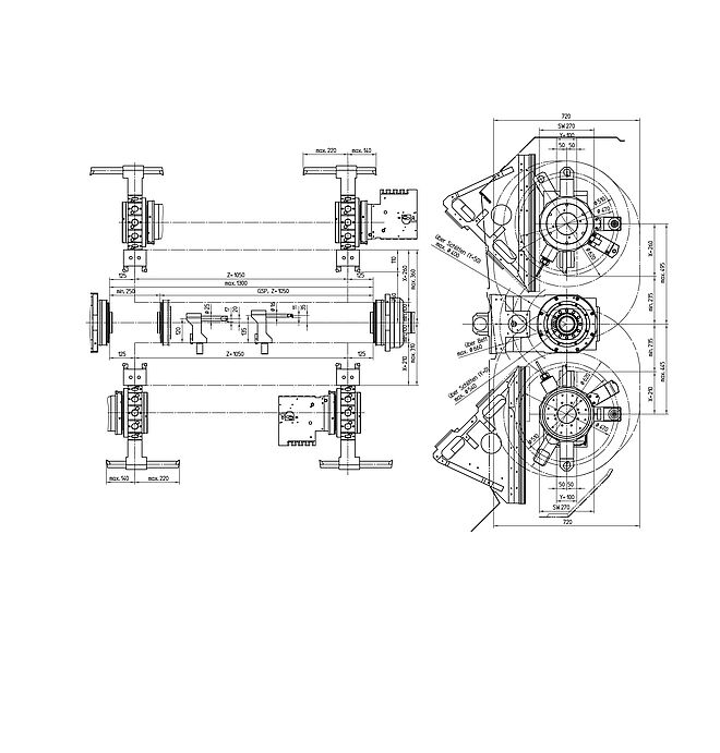
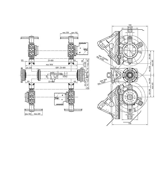
Schema di montaggio HT 65 1300 TRIPLE TURN / DUOTURN

Schema di montaggio HT65 Duoturn 1000

Installation plan HT 65 DUOTURN 1000

Area di lovoro HT 65 DUOTURN 1000 VDI30

Area di lavoro HT 65 DUOTURN 1000 VDI40

Area di lavoro HT 65 DUOTURN 1000 VDI40

Area di lavoro HT 65 1300 DUOTURN VDI30

Area di lavoro HT 65 DUOTURN 1300 VDI40

Area di lavoro HT65 Duoturn 1300 BMT55 SW30

Area di lavoro HT 65 Triple Turn VDI30

Area di lavoro HT 65 Triple Turn VDI40

Area di lavoro HT 65 DUOTURN 1000 BMT 55P

Area di lavoro HT 65 TRIPLETURN BMT 55P

Opzioni/Accessori

Finestra girevole Rotoclear

La finestra girevole permette una perfetta visione nella zona di lavoro della macchina. Il processo di truciolatura può così essere osservato anche con l'impiego del refrigerante.

Torretta BMT

Per una lavorazione economica di pezzi torniti/fresati di una certa complessità con maggioranza di fresatura, è disponibile l’opzione torretta BMT con azionamento diretto raffreddato ad acqua. Questa torretta con una velocità max. 12000 giri/min, 30 Nm e 10 kW consente un’ottima lavorazione completa.

RACCOGLITORE PEZZI

Il raccoglitore elettropneumatico dell‘HYPERTURN 65 è gestito tramite funzioni M. Quando necessario, attraversa l’area di lavoro
e ruota al centro del mandrino. Il pezzo finita viene rimossa dal dispositivo di serraggio e trasferito al vassoio di raccolta.
Il raccoglitore di pezzi torna quindi alla posizione iniziale e il pezzo viene depositato su un nastro trasportatore.

Automazione

Caricatore a portale

Come dispositivo universale di carico e scarico per pezzi grezzi preformati di qualsiasi tipo.
Per mezzo dei diversi sistemi di presa e movimentazione, il caricatore a portale può essere adattato alle esigenze individuali di produzione.

Turn / Mill Assist

Automazione standard compatta per piccole e medie serie, per torni e fresatrici.

  • Riduzione delle ore di lavoro fino al 70%.
  • Soluzione compatta e salvaspazio.
  • Funzionamento supportato graficamente.
  • Libero accesso alla porta della macchina.
  • Per piccole e medie serie.
  • Tempi di allestimento e di preparazione più brevi.
  • Non è richiesta alcuna conoscenza speciale di robotica.
  • Installazione e formazione in loco.

Caricatore di barre corte EMCO SL 1200

Con il caricatore EMCO SL1200, EMCO offre la soluzione perfetta per spostamento e carico di barre fino ad una lunghezza massima di 1200 mm.

Il vantaggio: ridotto ingombro e brevi tempi di carico grazie alle corse ridotte.

Il controllo è perfettamente integrato nell’interfaccia macchina.

Controlli/Software

Sinumerik ONE con Operate

Sinumerik ONE è il sistema CNC universale e flessibile. Con una vasta gamma di funzionalità, è adatto all'uso in quasi tutte le tecnologie. Il Sinumerik ONE stabilisce degli standard in termini di dinamica, precisione e integrabilità nelle reti.

Con il Sinumerik ONE si ottiene:

  • elevata performance e flessibilità
  • apertura universale
  • protezione personale e delle macchine molto efficace

Sinumerik & EMCONNECT, l'assistente di processo digitale
EMCONNECT è incluso nella macchina standard. Il passaggio tra le app emcoNNECT e il sistema di controllo è possibile con un solo clic. Tutti i dati rilevanti per la produzione possono essere visualizzati a schermo intero o in vista laterale.

Il nuovo SINUMERIK ONE è stato sviluppato appositamente per la produzione intelligente.

• Il Digital Twin è parte integrante del controllo CNC, il controllo virtuale e quello reale si fondono e si completano a vicenda
• Riduzione significativa dello sviluppo del prodotto e del time-to-market grazie alla strategia digital-first
• Capacità di rete e di comunicazione dati migliorate
• Riduzione significativa del tempo di messa in servizio reale grazie alla preparazione virtuale della messa in servizio
• Prestazioni CNC significativamente aumentate
• Tempi morti significativamente più brevi e integrazione completa nel TIA Portal attraverso il PLC SIMATIC S7-1500F integrato

Il SINUMERIK ONE può quindi essere integrato senza problemi in soluzioni e flussi di lavoro digitali.

Dettagli visibili Dettagli nascosti

Fanuc 31i-B

Il controllo CNC 31i-B è stato sviluppato per la generazione futura di macchine utensili ad elevate prestazioni.

Grazie al miglioramento della funzionalità e le prestazioni superiori, la potenzialità delle capacità della macchina è stata migliorata per il futuro. La linea di prodotti include applicazioni standard CNC per macchine utensili altamente complesse e applicazioni completamente nuove. I sistemi CNC FANUC godono di ottima reputazione a livello mondiale per quanto riguarda la loro prestazione, precisione, affidabilità e funzionamento user-friendly e sono quindi molto apprezzate sia a livello manageriale che dagli operatori più esigenti. Più di 2,4 milioni di controlli sono stati installati a livello internazionale. Per questo Fanuc è uno dei leader mondiali tra i produttori di CNC. I sistemi CNC FANUC installati nelle macchine utensili in produzione, permettono di lavorare un elevato numero di pezzi, necessitando di minore energia.

Caratteristiche:

Solo alcuni benefici per lavori ancor più produttivi

  • Generalmente compatibile con tutti i sistemi CNC precedenti
  • Richiesta minima formazione - i programmi esistenti vengono eseguiti senza riprogrammazione
  • Programmazione semplice tramite cicli fissi e macro personalizzate
  • Ampliata la facilità di utilizzo della programmazione di dialogo MANUAL GUIDE i
  • Display grafico di facile utilizzo per la parte visiva di verifica programma pezzo
  • Funzioni di aiuto complete
  • Interpolazione tramite nanometri per una migliore qualità di superficie
  • Connettività ethernet: L'utilizzatore è in grado di visualizzare nel display del CNC i programmi pezzo memorizzati e caricare i file selezionati per l'operatore della macchina in una directory del server FTP. In alternativa, possono essere caricati tramite drag & drop da un ufficio remoto ai file della macchina con trasferimento del programma.

Dettagli visibili Dettagli nascosti

EMCONNECT - Assistente di processo digitale

Per produrre di più ed essere più efficienti.

EMCONNECT è un buon sistema per chi inizia la produzione digitale: l'accesso a tutte le informazioni e i sistemi importanti è centralizzato, dalla macchina. La centralina CNC e quindi la gestione della macchina restano inalterate.
Sul pannello EMCONNECT sono raccolti, in modo molto chiaro e compatto, lo stato, i dati e la modalità operativa della macchina. La base hardware della centralina emcoNNECT è un display Multi-Touch da 22", un PC industriale + tastiera incl. tasti HMI-Hot semplice e intuitiva con interfaccia utente ottimizzata per touchscreen.

Incluso di serie nella versione macchina Siemens (Sinumerik ONE).

Dettagli visibili Dettagli nascosti

EMCO CPS Pilot (optional)

L'EMCO CPS PILOT è un EMCO macchina virtuale sul PC. L'utente lavora da una postazione di programmazione esterna con l'immagine della macchina in modalità di simulazione.

CPS: In questo modo, è possibile scrivere, testare e ottimizzare o programmi CNC in anticipo. Tutto questo, con lo scopo di minimizzare i tempi di allestimento della macchina, per renderla produttiva.

  • Comportamento tra macchina e PC identico al 100 %
  • Controllo collisioni per sistemi di bloccaggio, pezzi, utensili, portautensili e componenti macchina
  • Le collisioni possono essere previste e anticipate in modo affidabile al 100 % (e non solo durante il funzionamento della macchina).
  • Massimizzazione delle ore di produzione sulla macchina
  • Bilanciamento ottimale di entrambi i sistemi utensili
  • Retrosimulaizone e ottimizzazione dei programmi CNC esistenti
  • Diminuzione della percentuale di scarto
  • Ideale per la formazione interna degli operatori e la lavorazione (nessun fermo macchina!)
  • Costi di formazione estremamente bassi, in quanto l'interfaccia utente è identica a quella della macchina

Dettagli visibili Dettagli nascosti

Esprit (optional)

Mantenete il controllo della vostra produzione con la sincronizzazione programmi, la simulazione dinamica e il riconoscimento collisione del Sistema ESPRIT.

ESPRIT: Avete la possibilità di lavorare contemporaneamente la parte anteriore e posteriore del pezzo con uno, due o più utensili di tornitura e fresatura. Se applicate ESPRIT per sfruttare il potenziale della vostra produzione di tornitura, i tempi ciclo verranno drasticamente ridotti e i pezzi verranno lavorati completamente con una sola presa del pezzo. ESPRIT comprende molteplici cicli di lavorazione e cicli per la gestione pezzo – dal primo avanzamento barra e presa del pezzo grezzo, alle lunette e fino alla troncatura e raccolta.

Settori di applicazione:

  • Programmazione completa per torniture convenzionali e multiassi
  • Programmazione CNC completa per una tornitura da 2 fino a 22 assi
  • Centri tornitura-fresatura multitasking e macchine con asse B
  • Tornitura, fresatura e foratura
  • Sincronizzazione completa e verifica
  • Lavorazioni multitasking
  • Programmazione flessibile asse B
  • Lavorazione simultanea del pezzo in 5 assi

Simulazioni

  • Simulaizone a secco con rappresentazione dinamica del volume
  • Grafica dinamica ombreggiata dell'intera area macchina
  • Riconoscimento collisione di utensili, attacchi utensile, grezzi e dispositivi di presa
  • Simulazione in tempo reale di mandrini, torretta, asse B e utensili
  • Confronto nominale-effettivo del pezzo

Dettagli visibili Dettagli nascosti

Download

Centro_di_tornitura_e_fresatura__HYPERTURN_65_DT_TT_SEO.pdf 01.03.2024
Preview Download
EMCONNECT_TA.pdf 08.07.2024
Preview Download
Business_Unit_Medical.pdf 04.09.2025
Preview Download