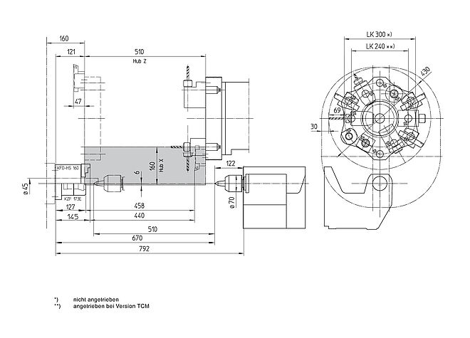
| Travel in X/Y/Z | 160/ - / 510 mm |
| Bar diameter | 45 mm |
| Max. turning diameter | 220 mm |
| Distance spindle nose | 510 mm |
| Tool cross-section for outer machining | 20 x 20 mm |
| Tool cross-section for inner machining | Ø 32 |
| Rapid motion speeds in X/Y/Z | 24/-/30 m/min |
| Work feed X/Y/Z | 0 - 15 m/min |
| Feed force in X/Y/Z | 4000 / - / 6000 N |
| Max. speed | 6300 rpm |
| Spindle nose | KK 5 |
| Max. drive power | 13 kW |
| Max. torque | 78 Nm |
| Travel (automatic) | 510 mm |
| Number of tools | 12 |
| Driven tools | 6 |
| Max. speed | 5000 rpm |
| Max. drive power | 4.0 kW |
| Max. torque | 16 Nm |
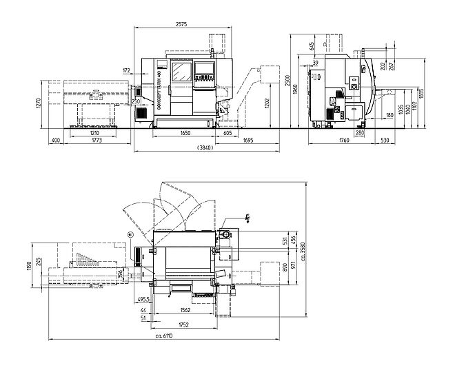
| Dimensions (LxWxH) | 2275 x 1790 x 1985 mm |
| Machine weight | 3300 kg |
Thanks to the pneumatic unit the machine door opens and closes automatically or by pressing the button. The monitoring of the door position is done via end switch.
The unique concept of the interchangeable control can be fitted to all Concept machines. In doing so, the user is trained on all CNC industry controls that are common to the market.
The result: CNC technicians are flexible to work in a variety of settings.
Win3D-View is a 3D simulation for turning and milling and is available as an option in addition to the WinNC Control. Graphic simulations of CNC controls are designed especially for industrial experience. Win3D-View displays exceed industry standards. Tools, blanks, clamping devices, and work processes are highly realistic. The system checks the programmed travel of the tool to prevent collision with clamping devices and blanks.
We, EMCO GmbH (headquarters: Austria), would like to process personal data with external services. This is not necessary for the use of the website, but enables us to interact even more closely with you. If desired, please make a selection:
Purpose: Error analysis, statistical evaluation of our website
Processing operations: Collection of connection data, data of your web browser and data on the contents called up; execution of analysis software and storage of data on your end device, anonymization of the collected data; evaluation of the anonymous data in the form of statistics
Storage period: Data on your end device for up to two years
Joint responsible party: Google LLC, Amphitheatre Parkway, Mountain View, CA 94043, USA
Legal basis for data processing: voluntary, at any time revocable consent
Consequences of non-consent: No direct effect on the function of the website; however, limited possibilities for further development and error analysis
Legal basis for data transfer to the USA: Implementing decision of the EU Commission C/2016/4176 and the Privacy Shield certification
| Name | Description | Storage period |
|---|---|---|
| _ga |
Used to distinguish users in Google Analytics 4. |
2 Years |
| _gid |
This cookie is used by Google Analytics to store and update a unique value for each page visited. |
1 Day |
| _gat |
Used by Google Analytics to throttle the request rate, which means that the collection of data on high-traffic websites is restricted. |
1 Day |
| _ga_AW-959191631 |
Used to maintain the session status. |
2 years |
Purpose: Provision of a career portal
Processing operations: collection and processing of personal data by eRecruiters for application procedures
Storage period: until you leave the website
Joint responsible: eRecruiter GmbH, Am Winterhafen 4, 4020 Linz, Austria
Legal basis for data processing: voluntary consent, revocable at any time
Consequences of non-consent: The career portal is not made available to you.
| Name | Description | Storage period |
|---|---|---|
| __RequestVerificationToken |
Saves a token for verification of the following requests. |
Session |
Purpose: Provision of a form for newsletter registration
Processing operations: Collection of connection data, data of your web browser and data about the contents called up; execution of analysis software and storage of data on your end device, anonymization of the collected data; evaluation of the anonymous data in the form of statistics
Storage period: Data on your end device up to two years.
Jointly responsible: SC-Networks GmbH, Würmstraße 4, 82319 Starnberg
Legal basis for data processing: voluntary, at any time revocable consent
Consequences of non-consent: No direct effect on the functioning of the website
| Name | Description | Storage period |
|---|---|---|
| ewafutano |
Tracking (anonymous history) |
2 Years |
Purpose: To display the map service Google Maps
Processing operations: Collection of connection data, data of your web browser and data on the contents called up; placement of advertising cookies by Google; processing of the collected data by Google
Storage period: until you leave the website
Jointly responsible: Google LLC, Amphitheatre Parkway, Mountain View, CA 94043, USA
Legal basis for data processing: voluntary, at any time revocable consent
Consequences of non-consent: The Google Maps service is not made available to you.
Legal basis for data transfer to the USA: Implementing decision of the EU Commission C/2016/4176 and the Privacy Shield certification
Purpose: Integration of external videos
Processing operations: Collection of connection data, data of your web browser and data about the contents called up; execution of analysis software and storage of data on your end device, anonymization of the collected data; evaluation of the anonymous data in the form of statistics
Storage period: Data on your end device up to one year.
Joint Controller: YouTube LLC, 1600 Amphitheatre Parkway, Mountain View, CA 94043, USA
Legal basis for data processing: voluntary, revocable consent
Consequences of non-consent: No playback of embedded videos.
Legal basis for the data transfer to the USA: Implementing decision of the EU Commission C/2016/4176 and the Privacy Shield certification
| Name | Description | Storage period |
|---|---|---|
| yt-remote-device-id |
Saves the user settings when retrieving a YouTube video integrated on other websites |
Permanent |
| yt-remote-connected-devices |
Saves the user settings when retrieving a YouTube video integrated on other websites |
Permanent |
| yt-remote-session-app |
Saves the user settings when retrieving a YouTube video integrated on other websites |
Session |
| yt-remote-cast-installed |
Saves the user settings when retrieving a YouTube video integrated on other websites |
Session |
| yt-remote-session-name |
Saves the user settings when retrieving a YouTube video integrated on other websites |
Session |
| yt-remote-fast-check-period |
Saves the user settings when retrieving a YouTube video integrated on other websites |
Session |
| VISITOR_INFO1_LIVE |
Trying to estimate user bandwidth on pages with integrated YouTube videos. |
179 Days |
| YSC |
Registers a unique ID to keep statistics of the YouTube videos that the user has seen. |
Session |
| GPS |
Registers a unique ID on mobile devices to enable tracking based on GPS geographic location. |
1 Day |