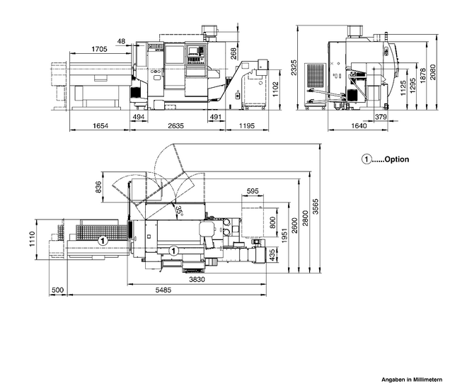
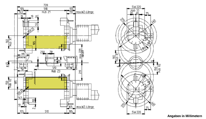
| Travel in X/Y/Z | 160 (150)/70/510 mm |
| Bar diameter | 45 (51) mm |
| Max. turning diameter | 300 mm |
| Swing over bed | 430 mm |
| Rapid motion speeds in X/Y/Z | 30/15/45 m/min |
| Max. speed | 7000 U/min |
| Max. drive power | 15 kW |
| Max. torque | 100 Nm |
| Max. speed | 7000 U/min |
| Max. drive power | 15 kW |
| Max. torque | 100 Nm |
| VDI size | VDI 25 |
| Number of tools | 12 |
| Driven tools | 12 |
| Max. speed | 6000 U/min |
| Max. drive power | 4 kW |
| Max. torque | 16 Nm |
| VDI size | VDI 25 |
| Number of tools | 12 |
| Driven tools | 12 |
| Max. speed | 6000 U/min |
| Max. drive power | 4 kW |
| Max. torque | 16 Nm |
The tool status is monitored by evaluating the load on the various axis drive motors. Excessive loads point to wear or broken tools. Too low a load indicates a tool is missing.
A coolant pressure of 25/40/60/80 bar can be set as necessary. This enables coolant-fed drilling and milling tools to be used to their best advantage.
Universal loading and unloading for preformed blanks and parts.
Using the multiple grippers and handling systems the swing loader can be customized to your individual needs.
Compact standard automation for small and medium-sized batches for turning and milling machines.
Reduction of working hours by up to 70%
Compact and space-saving solution
Graphically supported operation
Free access to the machine door
For small and medium-sized series
Very short configuration and setup times
No special knowledge about robots required
On-site installation and training
The EMCO short-bar loader SL 1200 is the perfect solution for the automatic reloading of pre-cut bars up to 1200 mm.
The adavantage: small footprint and short loading times through shorter strokes.
The control unit is perfectly adapted to the interface of the machine.
The Sinumerik ONE is the universal and flexible CNC system. With a wide range of functionality, it is suitable for use in almost all technologies. The Sinumerik ONE sets standards in terms of dynamics, precision and integrability in networks.
With the Sinumerik ONE you rely on:
Sinumerik & EMCONNECT, the digital process assistant
EMCONNECT is included in the standard machine. Switching between emcoNNECT apps and the control system is possible with a single click. All production-relevant data can be displayed in full-screen or sidebar view.
The new SINUMERIK ONE has been specially developed for smart manufacturing.
This means that the SINUMERIK ONE can be seamlessly integrated into digital solutions and workflows.
For increased productivity and efficiency in production.
EMCONNECT facilitates easy access to digital production – all important information and systems are accessed centrally on the machine. The familiar NC control and hence the familiar operation of the machine remain unchanged.
A clear and compact overview of the machine state, the machine data and the operating mode is available at a glance thanks to the emcoNNECT Dashboard. The hardware basis of the EMCONNECT control centre is a 22“ multi-touch display teamed with an industrial PC and a keyboard including HMI hotkeys for easy and intuitive operation via a user interface optimised for touchscreen use.
Included as standard equipment in the Siemens machine version (Sinumerik ONE).
Their enhanced functionality and superior performance extends the potential of machine capabilities into the future. The product line spans from standard CNC applications up to the most complex machine tools and non-traditional applications. FANUC controls have a world-class reputation
for performance, precision, reliability and user-friendly operation, making them popular with the most demanding managers and operators alike. With more than 2.2 million controls already installed around the
globe, FANUC is the world’s leading CNC manufacturer. By choosing a machine tool with a FANUC CNC it will be available for production more often, process more parts and use less energy.
The sensational CAM solution for turning and turning/milling. ESPRIT greatly simplifies the programming of complex machining processes and significantly reduces set-up times.
ESPRIT Applications:
Simulations:
EMCO CPS PILOT is the virtual EMCO machine on the PC. The operator works at an external programming station with an image of the machine in simulated operation. Therefore, NC programs can be planned, programmed, simulated and honed.
Using CPS the result is 100 % production reliability, up to 80 % shorter set-up times and an enormous increase in productivity and operating efficiency.
We, EMCO GmbH (headquarters: Austria), would like to process personal data with external services. This is not necessary for the use of the website, but enables us to interact even more closely with you. If desired, please make a selection:
Purpose: Error analysis, statistical evaluation of our website
Processing operations: Collection of connection data, data of your web browser and data on the contents called up; execution of analysis software and storage of data on your end device, anonymization of the collected data; evaluation of the anonymous data in the form of statistics
Storage period: Data on your end device for up to two years
Joint responsible party: Google LLC, Amphitheatre Parkway, Mountain View, CA 94043, USA
Legal basis for data processing: voluntary, at any time revocable consent
Consequences of non-consent: No direct effect on the function of the website; however, limited possibilities for further development and error analysis
Legal basis for data transfer to the USA: Implementing decision of the EU Commission C/2016/4176 and the Privacy Shield certification
| Name | Description | Storage period |
|---|---|---|
| _ga |
Used to distinguish users in Google Analytics 4. |
2 Years |
| _gid |
This cookie is used by Google Analytics to store and update a unique value for each page visited. |
1 Day |
| _gat |
Used by Google Analytics to throttle the request rate, which means that the collection of data on high-traffic websites is restricted. |
1 Day |
| _ga_AW-959191631 |
Used to maintain the session status. |
2 years |
Purpose: Provision of a career portal
Processing operations: collection and processing of personal data by eRecruiters for application procedures
Storage period: until you leave the website
Joint responsible: eRecruiter GmbH, Am Winterhafen 4, 4020 Linz, Austria
Legal basis for data processing: voluntary consent, revocable at any time
Consequences of non-consent: The career portal is not made available to you.
| Name | Description | Storage period |
|---|---|---|
| __RequestVerificationToken |
Saves a token for verification of the following requests. |
Session |
Purpose: Provision of a form for newsletter registration
Processing operations: Collection of connection data, data of your web browser and data about the contents called up; execution of analysis software and storage of data on your end device, anonymization of the collected data; evaluation of the anonymous data in the form of statistics
Storage period: Data on your end device up to two years.
Jointly responsible: SC-Networks GmbH, Würmstraße 4, 82319 Starnberg
Legal basis for data processing: voluntary, at any time revocable consent
Consequences of non-consent: No direct effect on the functioning of the website
| Name | Description | Storage period |
|---|---|---|
| ewafutano |
Tracking (anonymous history) |
2 Years |
Purpose: To display the map service Google Maps
Processing operations: Collection of connection data, data of your web browser and data on the contents called up; placement of advertising cookies by Google; processing of the collected data by Google
Storage period: until you leave the website
Jointly responsible: Google LLC, Amphitheatre Parkway, Mountain View, CA 94043, USA
Legal basis for data processing: voluntary, at any time revocable consent
Consequences of non-consent: The Google Maps service is not made available to you.
Legal basis for data transfer to the USA: Implementing decision of the EU Commission C/2016/4176 and the Privacy Shield certification
Purpose: Integration of external videos
Processing operations: Collection of connection data, data of your web browser and data about the contents called up; execution of analysis software and storage of data on your end device, anonymization of the collected data; evaluation of the anonymous data in the form of statistics
Storage period: Data on your end device up to one year.
Joint Controller: YouTube LLC, 1600 Amphitheatre Parkway, Mountain View, CA 94043, USA
Legal basis for data processing: voluntary, revocable consent
Consequences of non-consent: No playback of embedded videos.
Legal basis for the data transfer to the USA: Implementing decision of the EU Commission C/2016/4176 and the Privacy Shield certification
| Name | Description | Storage period |
|---|---|---|
| yt-remote-device-id |
Saves the user settings when retrieving a YouTube video integrated on other websites |
Permanent |
| yt-remote-connected-devices |
Saves the user settings when retrieving a YouTube video integrated on other websites |
Permanent |
| yt-remote-session-app |
Saves the user settings when retrieving a YouTube video integrated on other websites |
Session |
| yt-remote-cast-installed |
Saves the user settings when retrieving a YouTube video integrated on other websites |
Session |
| yt-remote-session-name |
Saves the user settings when retrieving a YouTube video integrated on other websites |
Session |
| yt-remote-fast-check-period |
Saves the user settings when retrieving a YouTube video integrated on other websites |
Session |
| VISITOR_INFO1_LIVE |
Trying to estimate user bandwidth on pages with integrated YouTube videos. |
179 Days |
| YSC |
Registers a unique ID to keep statistics of the YouTube videos that the user has seen. |
Session |
| GPS |
Registers a unique ID on mobile devices to enable tracking based on GPS geographic location. |
1 Day |